关于我们联系我们 网站地图 您好!欢迎访问星空手机直播最新版本!
诚信立足·创新致远致力于研发、制造中国的高端轴承!
全国咨询热线:15137903805
您的位置: 主页 > hk星空体育 > 机器人轴承

CSD型谐波减速器轴承

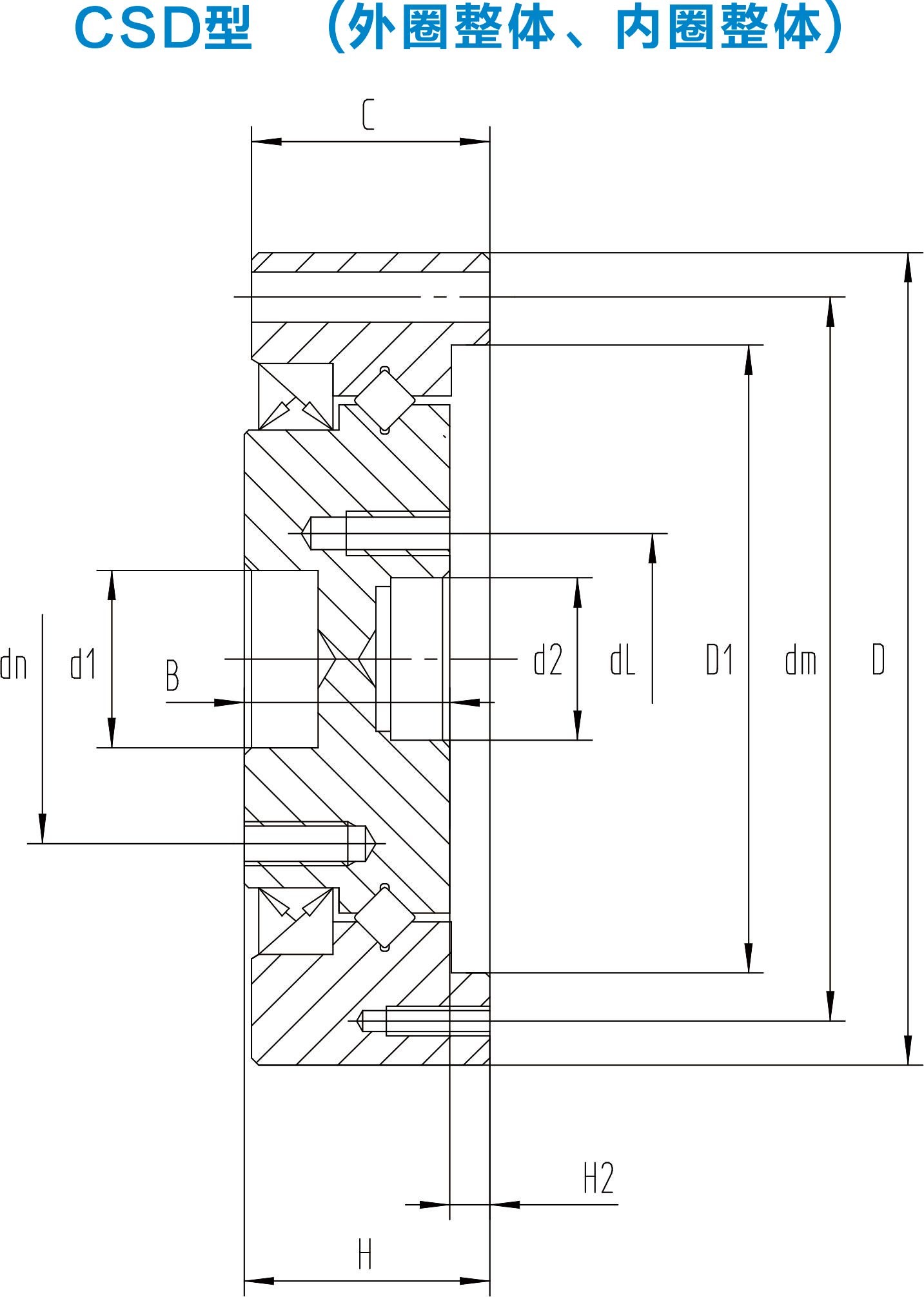
CSD型(外圈整体、内圈整体)介绍:外圈和内圈均为整体结构,外径尺寸和CSG型相同,比CSG型轴承具有更高的刚性,主要应用在CSD系列减速器输出部位。

在线咨询 全国热线
15137903805
产品简介 / PRODUCT INTRODUCTION

谐波减速器轴承包括刚性轴承和柔性轴承两大类型,刚性轴承包含四种系列,CSG(CSF)系列、CSD系列、SHG(SHF)系列、SHD系列,其命名方式采用减速器的命名;柔性轴承的命名为HYR。

谐波减速器用刚性轴承为交叉圆柱滚子结构,根据其使用场合分为外圈分体、内圈整体,外圈、内圈都是整体两大类;滚动体为圆柱滚子,互成90°垂直排列在V型滚道中,这种结构的轴承可同时承受轴向载荷、径向载荷和倾覆力矩等各个方向的载荷,轴承具有高精度、高刚性以及复合承载能力。

产品名称:CSD(外圈整体、内圈整体)

介绍:外圈和内圈均为整体结构,外径尺寸和CSG型相同,比CSG型轴承具有更高的刚性,主要应用在CSD系列减速器输出部位。
参数:

图纸1.jpg

尺寸1.jpg

尺寸2.jpg


热品推荐
Copyright (©) 2005-2025 星空手机直播最新版本 版权所有 备案号:豫ICP备10000262号

豫公网安备 41032202000151号

Baidu
map