关于我们联系我们 网站地图 您好!欢迎访问星空手机直播最新版本!
诚信立足·创新致远致力于研发、制造中国的高端轴承!
全国咨询热线:15137903805
您的位置: 主页 > hk星空体育 > xk星空体育

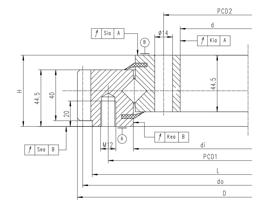
HXSA系列外齿圈交叉滚子转盘轴承

精密转盘轴承依照滚动体结构,分为交叉滚子转盘轴承与四点接触球转盘轴承两个系列,依照齿轮形式,可分为不带齿圈、带内齿、带外齿三个类型。

在线咨询 全国热线
15137903805
产品简介 / PRODUCT INTRODUCTION

精密转盘轴承依照滚动体结构,分为交叉滚子转盘轴承与四点接触球转盘轴承两个系列,依照齿轮形式,可分为不带齿圈、带内齿、带外齿三个类型,可以安装密封、配注油油杯、小范围调整游隙力矩大小、精度能达到P5/P4/P2等级,以适应各种类型的工况需求。

我司支持外径20mm到外径2000mm范围内,各种类型高精度轴承非标定制化设计加工,常年与多家高等院校、机械机床公司、机械研究所、科研机构合作,进行重大设备的联合开发,协助客户试样与批量生产。

转盘轴承可以同时承受较大径向负荷、轴向负荷和倾覆力矩等综合载荷,集支承、旋转、传动、固定等多种功能与一体,且结构紧凑、安装简便、维护方便,通常用于重载低速的场合,例如起重机械、挖掘机、回转台、风力发电机、天文望远镜和坦克炮塔等装置,应用十分广泛。

HXSA系列外齿圈交叉滚子转盘轴承

参数.png

1.png

2.png


热品推荐
Copyright (©) 2005-2025 星空手机直播最新版本 版权所有 备案号:豫ICP备10000262号

豫公网安备 41032202000151号

Baidu
map