关于我们联系我们 网站地图 您好!欢迎访问星空手机直播最新版本!
诚信立足·创新致远致力于研发、制造中国的高端轴承!
全国咨询热线:15137903805
您的位置: 主页 > hk星空体育 > bob星空体育

ZKLF推力角接触球轴承

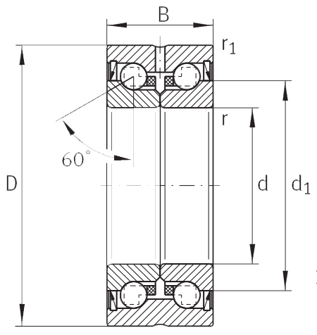
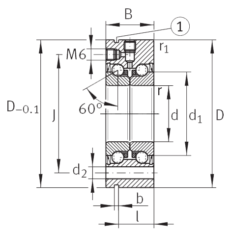
推力角接触球轴承是用于丝杠驱动轴承布置的精密轴承,根据不同系列,他们可以承受径向力以及一个或两个方向的轴向力。

在线咨询 全国热线
15137903805
产品简介 / PRODUCT INTRODUCTION

推力角接触球轴承是用于丝杠驱动轴承布置的精密轴承,根据不同系列,他们可以承受径向力以及一个或两个方向的轴向力。接触式密封可以使滚动体免受污染物和水分的侵害。对于较高转速,可采用最小间隙密封。

这种轴承有外圈带安装孔和外圈不带安装孔两种类型,带安装孔的轴承通过螺栓直接安装在相邻结构上,由于没有定位孔德要求或者不需要加工轴承相匹配的轴承端盖,这种解决方案特别经济。

对于某些应用领域,较低精度的轴承布置通常就足够了,因此我们也提供较大公差的轴承。

ZKLF推力角接触球轴承

1.png

2.png

参数1.png

参数2.png


热品推荐
Copyright (©) 2005-2025 星空手机直播最新版本 版权所有 备案号:豫ICP备10000262号

豫公网安备 41032202000151号

Baidu
map